1
/
de
2
Barrette enfichable spéciale (mâle)
Barrette enfichable spéciale (mâle)
Spécialement étudiées pour l'industrie du luminaire d'éclairage de sécurité. La règlette mâle est à souder sur la platine électronique. Le système de branchement et de débranchement sous tension, donc sans couper le réseau, est breveté.
Pour lampes de sécurité à support mobile.
Pour lampes de sécurité à support mobile.
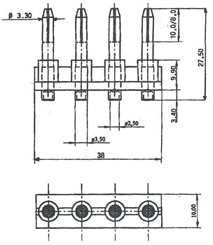
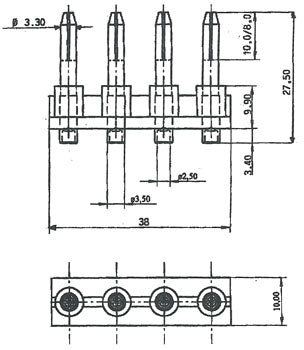
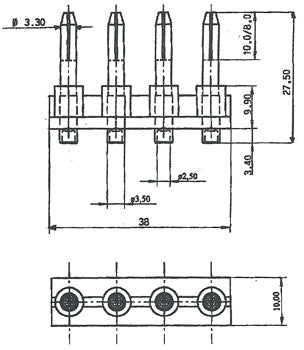
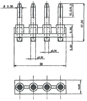
Barrette mâle 4 plots (réf. 2855.m.4):
Ce système de connexion est idéal pour être incorporé dans une lampe de sécurité autonome.
Les fiches sont à souder sur les circuits imprimés.
Plus besoin de couper le courant en cas de panne, il suffit de débrancher les deux parties (mâle et femelle).
Le modèle standard est en 4 plots.
Toutefois nous pouvons couper la réglette, que nous fabriquons aussi en 10 plots, en 2, 3 ou 5 plots etc...
La fiche avec 2 fentes d'une longueur de 27.5 mm peut également être livrée avec la fente arrondie au bout (plusieurs possibilités de longueur).
Ce système de connexion est idéal pour être incorporé dans une lampe de sécurité autonome.
Les fiches sont à souder sur les circuits imprimés.
Plus besoin de couper le courant en cas de panne, il suffit de débrancher les deux parties (mâle et femelle).
Le modèle standard est en 4 plots.
Toutefois nous pouvons couper la réglette, que nous fabriquons aussi en 10 plots, en 2, 3 ou 5 plots etc...
La fiche avec 2 fentes d'une longueur de 27.5 mm peut également être livrée avec la fente arrondie au bout (plusieurs possibilités de longueur).
Pour plus de renseignements, nous contacter.
Caractéristiques techniques
Matière boîtier | PA 66 UL V2 |
Température d'utilisation | -40 / +100 °C |
Résistance à la température intermittente | 160°C |
Résistance spécifique | 10¹³ Ω / cm |
Rigidité diélectrique | 30 kV / mm |
Auto-extinguibilité (960°C) | 25 s |
Courant de fuite | CTI > 600 |
Couleur | Blanche |
Fiches 2 fentes | Laiton nickelé |
Plots | Laiton nickelé |
Vis en acier zingué | M 3 passivation bleu |
Conducteurs | 2.5 mm² |
Tension nominale | 450 V |
Puissance | 24 A |

