1
/
de
3
Barrette enfichable spéciale (femelle)
Barrette enfichable spéciale (femelle)
Spécialement étudiées pour l'industrie du luminaire d'éclairage de sécurité. La règlette mâle est à souder sur la platine électronique. Le système de branchement et de débranchement sous tension, donc sans couper le réseau, est breveté.
Pour lampes de sécurité à support mobile.
Pour lampes de sécurité à support mobile.
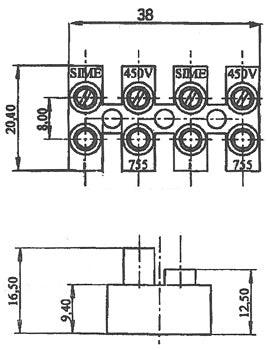
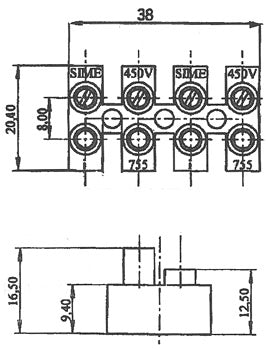
Barrette femelle 4 plots (réf. 2855.f.4):
La barrette qui est en 12 plots peut être découpée de 1 à 11 plots.
Ce modèle a été conçu pour un enfichage vertical, c'est-à-dire par la cheminée.
La 2ème rangée de la cheminée est réduite afin d'emboîter plus facilement la réglette mâle.
Le plot est fermé d'un côté.
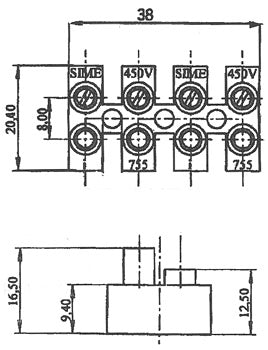
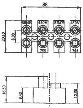
La barrette qui est en 12 plots peut être découpée de 1 à 11 plots.
Ce modèle a été conçu pour un enfichage vertical, c'est-à-dire par la cheminée.
La 2ème rangée de la cheminée est réduite afin d'emboîter plus facilement la réglette mâle.
Le plot est fermé d'un côté.
Pour plus de renseignements, nous contacter.
Caractéristiques techniques
| Matière boîtier | PA 66 UL V2 |
| Température d'utilisation | -40 / +100 °C |
| Résistance à la température intermittente | 160°C |
| Résistance spécifique | 10¹³ Ω / cm |
| Rigidité diélectrique | 30 kV / mm |
| Auto-extinguibilité (960°C) | 25 s |
| Courant de fuite | CTI > 600 |
| Couleur | Blanche |
| Fiches 2 fentes | Laiton nickelé |
| Plots | Laiton nickelé |
| Vis en acier zingué | M 3 passivation bleu |
| Conducteurs | 2.5 mm² |
| Tension nominale | 450 V |
| Puissance | 24 A |
